LCT-2、3、4、7型电流互感器
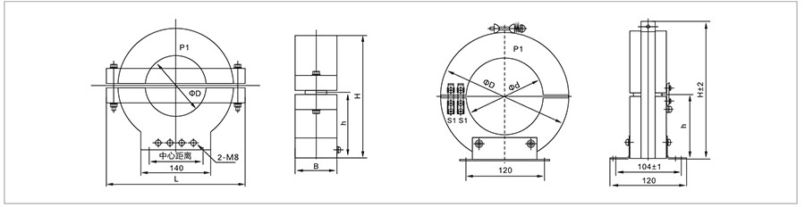
产品概述General本系列零序电流互感器具有高精度,线性度好,安装方便,运行可靠等特点,特别是也能适用于零序电流在1A、2A的系统,而一般零序互感器则不能胜任,外形设计为两中圆结合形,美观合理,结构新颖适用于电力,治金,煤炭,石油,化工,建材等行业的供电系统中使用。
产品价格:
全国服务热线:
150-5897-7878
产品详情
- 上一篇
- LJ-φ75型电流互感器