旭彩网10218

LZW32-10(12)型电流互感器

LZW32-10(12)型电流互感器

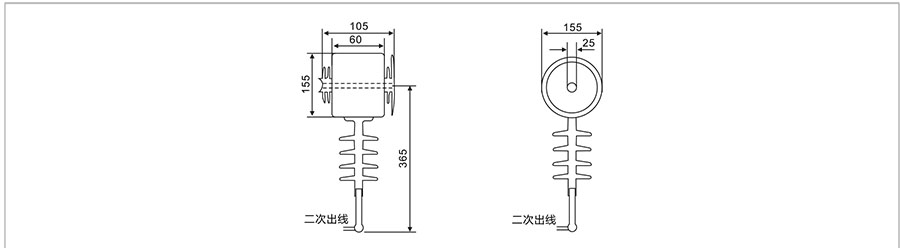
产品概述General本系列电流互感器为户外树脂浇注绝缘产品,适用于额定频率50/60Hz,额定电流35KV及以下的电力系统中,作电流、电能以及功率的测量或继电保护用(户外装置)。
产品价格:
全国服务热线: 150-5897-7878

产品详情

上一篇
LR(D)-10型电流互感器
下一篇
LJ-φ75型电流互感器

联系方式