旭彩网10218

JDZ(X)(F)8-35W型户外电压互感器

JDZ(X)(F)8-35W型户外电压互感器

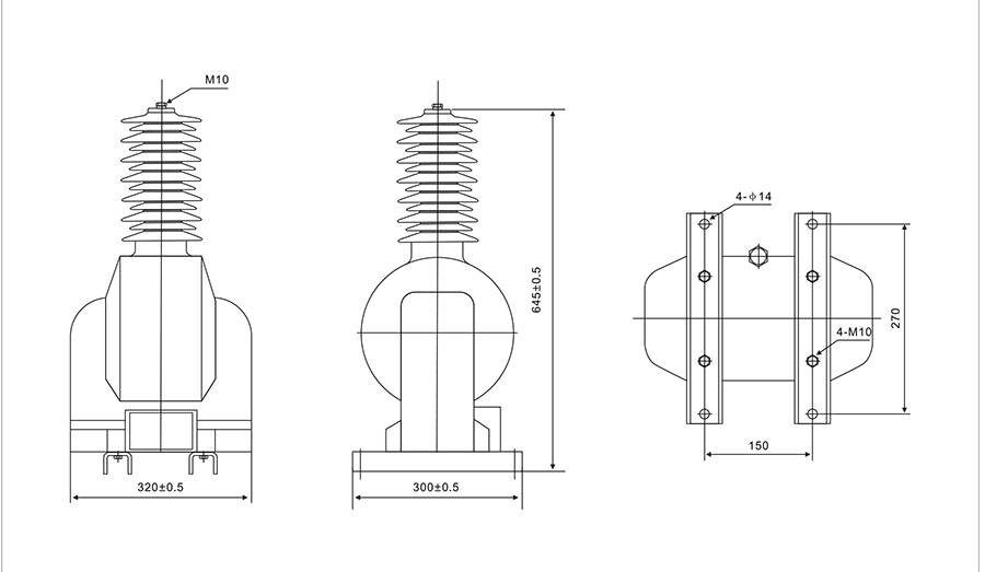
产品概述General本系列电压互感器为环氧树脂浇注全封闭,全工况电压互感器,具有耐气候变化能力强等优点。适用于频率为50/60Hz,额定电压35KV及以下的电力线路中作电压测量,电能计量保护之用。
产品价格:
全国服务热线: 150-5897-7878

产品详情

上一篇
JDZ(X)(F)8-35型户外电压互感器
下一篇
JDX-6、10型油浸式电压互感器

联系方式