JDZV1-10、6R型电压互感器
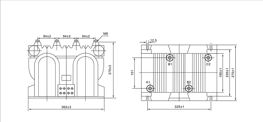
产品概述General本型电压互感器一次绕组带有熔断器保护V型接线电压互感器,采用环氧树脂绝缘全封闭结构,其熔断器装在一次出现端子内部,更换方便,熔断电流与互感器短路承受能力相匹配,缩小的空间,此型互感器除二次输出100V电压供测量使用外,还带有110V/220V输出电压端子供给操作机构作电源。
产品价格:
全国服务热线:
150-5897-7878
产品详情
- 上一篇
- JDZ9-6、10型电压互感器
- 下一篇
- JDZC-10、6R型电压互感器