JLSZV-10型三相三线制干式计量箱
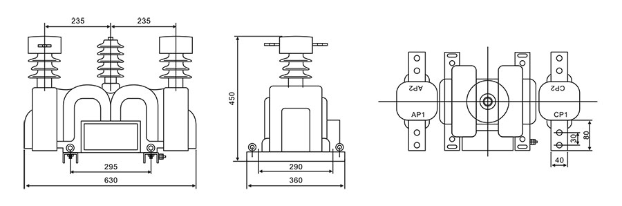
产品概述GeneralJLSZV-10型三相三线制干式计量箱(户外树脂浇注式)是正在同类产品的基础上改进而成,适用于额定频率50Hz,额定电压10KV、6KV的户外电力系统中做电能计量,是老式油浸产品理想的替代产品。本系列产品由电压电流组合互感器和计量仪表箱两部分组成,互感器内装有两只独立的电压和电流互感器分装于A相、C相,组合互感器外侧壁装有功、无功电度表,脑袋人实验用的联合连接盒,运行时用表
产品价格:
全国服务热线:
150-5897-7878
产品详情
- 上一篇
- 高压计量箱简介