互感器制造商Transformer manufacturer 首页 产品中心 高压计量箱系列 干式电流互感器系列 干式电压互感器系列 油浸式互感器系列 户外真空专用互感器 零序电流互感器系列 低压互感器系列 新闻资讯 公司动态 业界资讯 常见问答 应用领域 旭彩网10218 公司介绍 联系我们 联系我们
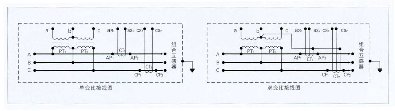
硅橡胶干式高压计量箱接线原理和外形安装尺寸说明 2019-09-12 13:11:51 2276 上一篇 带开关型高压计量箱的原理图和外形安装尺寸说明 下一篇 断路器型高压计量箱原理图和外形安装尺寸 相关推荐 三元件干式高压计量箱特点、接线原理和外形及安装尺寸说明 2019/09/12 远程抄表高压计量箱与电能计量远程监控系统的密切关系 2019/09/12 无线抄表型高压计量箱安装时需注意的事项 2019/09/12 带开关型高压计量箱的原理图和外形安装尺寸说明 2019/09/12 断路器型高压计量箱原理图和外形安装尺寸 2019/09/12 全封闭高压互感器 2019/06/05 高压电压互感器使用寿命 2019/06/05 10KV电流互感器 2019/06/05